Нет товаров
КАТАЛОГ
Кронштейн троса газа (акселератора) нового образца 1.5 GM
Получатель: :
* Обязательные поля
или Отмена
Кронштейн троса газа (акселератора) нового образца 1.5 GM.
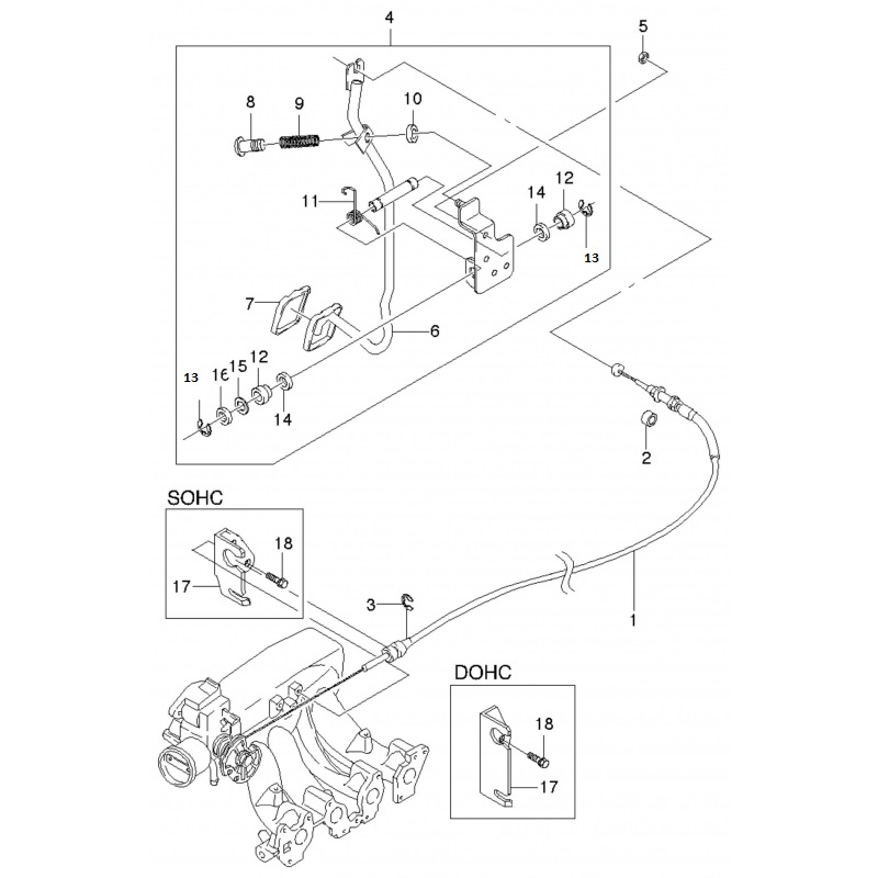
Применяемость Ланос 1.5 л, нового образца, вин код 350667 и выше. До вин кода 350666 устанавливался кронштейн с номером 96184602. Позиция 17 на скриншоте с каталога.
Магазин Запчасти ЗАЗ предлагает доставку Кронштейн троса газа (акселератора) нового образца 1.5 GM с номером 96289270 по всей Украине. В каталоге представлены детали от оригинального производителя General Motors и сторонних брендов. Разница между ними в цене. Мы работаем с проверенными поставщиками. Все детали подходят для ремонта и сервисного обслуживания автомобилей произведённых на Запорожском автомобилестроительном заводе с разным объемом двигателя.
Магазин Запчасти ЗАЗ имеет богатый опыт работы.
Оригинальный код 96289270 полностью совпадает с каталожным номером производителя GM.
Поиск деталей можно выполнить по оригинальному коду 96289270.
Оплата производится разными способами – наличным и безналичным.
Доставка по Украине выполняется разными почтовыми службами. Возможен самовывоз.
Если у вас возникли вопросы относительно Кронштейн троса газа (акселератора) нового образца 1.5 GM с номером 96289270, свяжитесь с нашим консультантом.
При получении заказа проверяйте комплектацию товара Кронштейн троса газа (акселератора) нового образца 1.5 GM.
Перед монтажом запчасти проверьте оригинальный код 96289270.
Доверяйте установку деталей компетентным специалистам.
На сайте магазина Запчасти ЗАЗ собраны все детали для ремонта автомобилей. Если не нашли нужную запчасть, свяжитесь с нашим консультантом.
(3 отзывов)