Немає товарів
КАТАЛОГ
Кронштейн троса газу (акселератора) нового зразка 1.5 GM
Отримувач: :
* Обов'язкові поля
або Відміна
Кронштейн тросу газу (акселератора) нового зразка 1.5 GM.
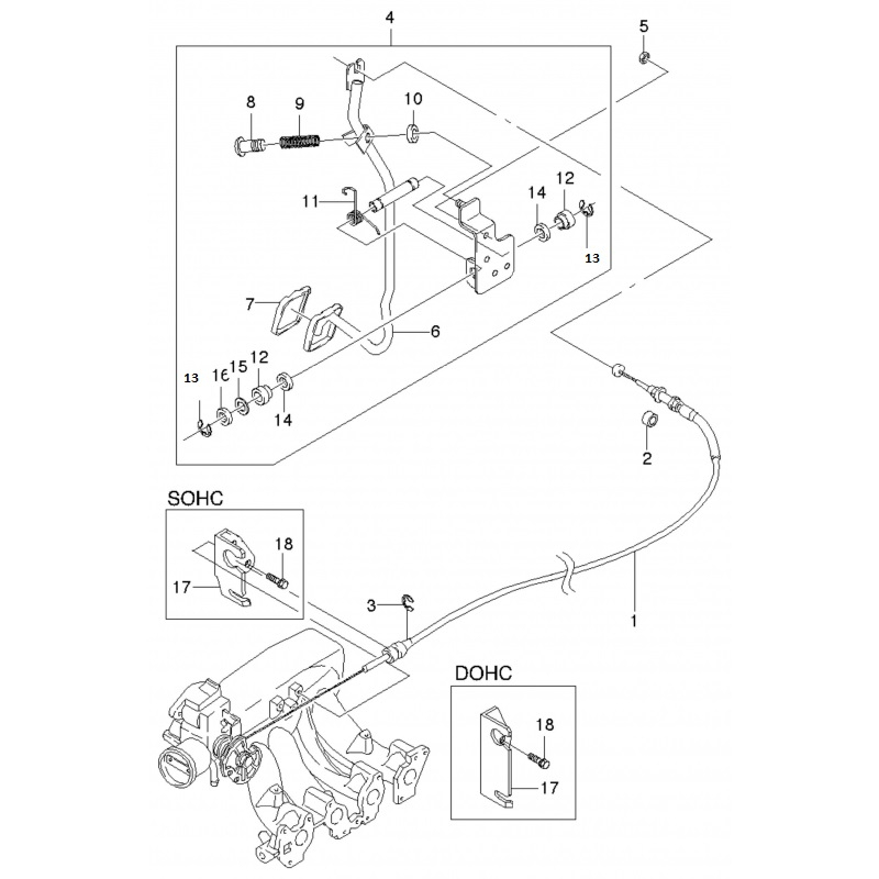
Застосовність Ланос 1.5 л, нового зразка, він код 350667 і вище. До він коду 350666 встановлювався кронштейн із номером 96184602. Позиція 17 на скріншоті з каталогу.
Магазин Запчастини ЗАЗ пропонує доставку Кронштейн троса газу (акселератора) нового зразка 1.5 GM з номером 96289270 по всій Україні. У каталозі представлені деталі від оригінального виробника General Motors і сторонніх брендів. Різниця між ними в ціні. Ми працюємо з перевіреними постачальниками. Всі деталі підходять для ремонту і сервісного обслуговування автомобілів вироблених на Запорізькому автомобілебудівному заводі з різним об'ємом двигуна.
Магазин Запчастини ЗАЗ має багатий досвід роботи.
Оригінальний код 96289270 повністю збігається з каталожними номером виробника GM.
Пошук деталей можна виконати за оригінальним кодом 96289270.
Оплата здійснюється різними способами – готівковим і безготівковим. Також доступна оплата на банківські карти Монобанк і ПриватБанк.
Доставка по Україні виконується різними поштовими службами. Є можливість самовивозу.
Якщо у вас виникли питання щодо Кронштейн троса газу (акселератора) нового зразка 1.5 GM з номером 96289270, зв'яжіться з нашим консультантом.
При отриманні замовлення перевіряйте комплектацію товару Кронштейн троса газу (акселератора) нового зразка 1.5 GM.
Перед монтажем запчастини перевірте оригінальний код 96289270.
Довіряйте установку деталей компетентним фахівцям.
На сайті магазина Запчастини ЗАЗ зібрані всі деталі для ремонту автомобілів. Якщо не знайшли потрібну запчастину, зв'яжіться з нашим консультантом.
(3 відгуків)