Нет товаров
КАТАЛОГ
Болт переднего рычага к подрамнику задний Лачетти Такума, подушки двигателя Матиз GM
Получатель: :
* Обязательные поля
или Отмена
Болт переднего рычага к подрамнику задний Лачетти и Такума, подушки двигателя Матиз GM
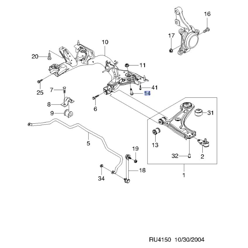
1. Болт крепит передний рычаг через задний сайлентблок к подрамнику Лачетти и Такума. Фото 3, номер 3 на схеме из каталога Лачетти и фото 4, номер 14 на схеме из каталога Такума. На автомобиль необходимо 2 болта.
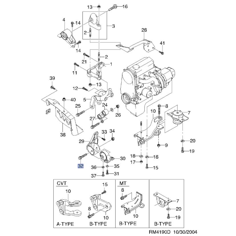
2. Болт крепит кронштейн подушки двигателя передней левой на Матиз M100 и M150 (фото 5, номер позиции 32 на схеме с каталога). На машину необходим 1 болт.
Старый каталожный номер - 02803-12803. Производитель GM.
Внимание! Часто этот болт путают с заклёпкой 94535086. Это именно болт, а не заклёпка и этот болт не крепит шаровую к рычгу. На схеме с каталога этот болт проходит через отверстие шаровой и рычага. Многие ошибочно считают этот болт креплениям шаровой к рычагу. Это не так. Болт крепления шаровой к рычагу Лачетти GM, гайка к этому болту GM.
Магазин Запчасти ЗАЗ предлагает доставку Болт переднего рычага к подрамнику задний Лачетти Такума, подушки двигателя Матиз GM с номером 94500716 по всей Украине. В каталоге представлены детали от оригинального производителя General Motors и сторонних брендов. Разница между ними в цене. Мы работаем с проверенными поставщиками. Все детали подходят для ремонта и сервисного обслуживания автомобилей произведённых на Запорожском автомобилестроительном заводе с разным объемом двигателя.
Магазин Запчасти ЗАЗ имеет богатый опыт работы.
Оригинальный код 94500716 полностью совпадает с каталожным номером производителя GM.
Поиск деталей можно выполнить по оригинальному коду 94500716.
Оплата производится разными способами – наличным и безналичным.
Доставка по Украине выполняется разными почтовыми службами. Возможен самовывоз.
Если у вас возникли вопросы относительно Болт переднего рычага к подрамнику задний Лачетти Такума, подушки двигателя Матиз GM с номером 94500716, свяжитесь с нашим консультантом.
При получении заказа проверяйте комплектацию товара Болт переднего рычага к подрамнику задний Лачетти Такума, подушки двигателя Матиз GM.
Перед монтажом запчасти проверьте оригинальный код 94500716.
Доверяйте установку деталей компетентным специалистам.
На сайте магазина Запчасти ЗАЗ собраны все детали для ремонта автомобилей. Если не нашли нужную запчасть, свяжитесь с нашим консультантом.
(10 отзывов)