Немає товарів
КАТАЛОГ
Болт переднього важеля до підрамника задній Лачетті Такума, подушки двигуна Матіз GM
Отримувач: :
* Обов'язкові поля
або Відміна
Болт переднього важеля до підрамника задній Лачетті і Такума, подушки двигуна Матіз GM
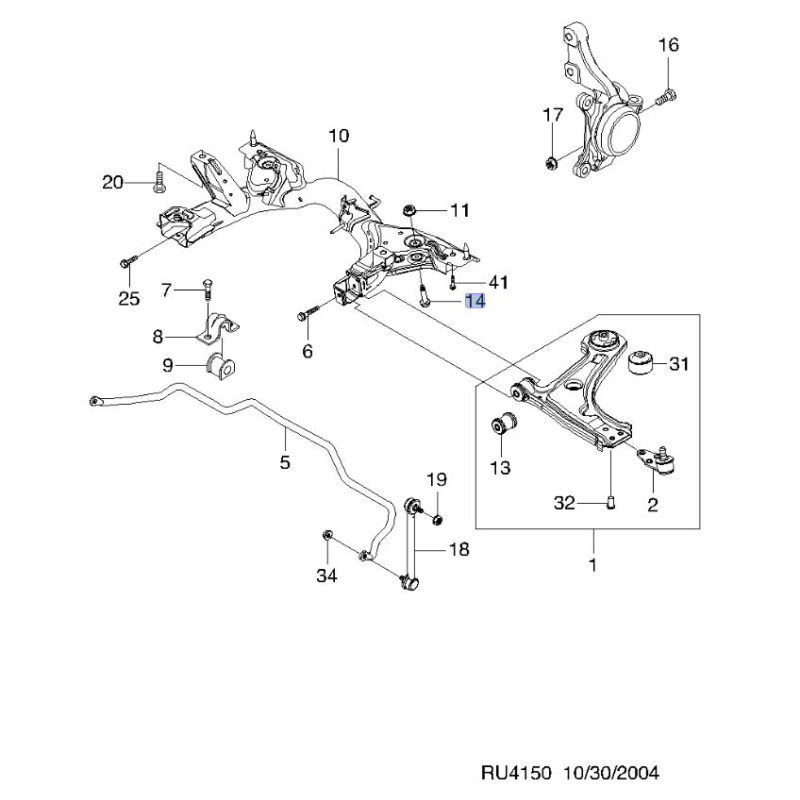
1. Болт кріпить передній важіль через задній сайлентблок до підрамника Лачетті та Такума. Фото 3, номер 3 на схемі з каталогу Лачетті та фото 4, номер 14 на схемі з каталогу Такума. На автомобіль необхідно 2 болти.
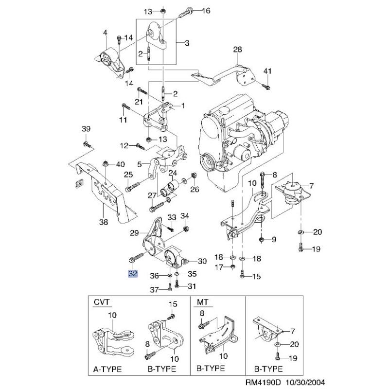
2. Болт кріпить кронштейн подушки двигуна передньої лівої на Матіз M100 та M150 (фото 5, номер позиції 32 на схемі з каталогу). На машину потрібний 1 болт.
Старий каталожний номер - 02803-12803. Виробник GM.
Увага! Часто цей болт плутають із заклепкою 94535086. Це саме болт, а не заклепка і цей болт не кріпить кульову до важеля. На схемі з каталогу цей болт проходить через отвір кульової та важеля. Багато хто помилково вважає цей болт кріпленням кульовим до важеля. Це не так. Болт кріплення кульовий до важеля Лачетті GM, гайка до цього болта GM.
Магазин Запчастини ЗАЗ пропонує доставку Болт переднього важеля до підрамника задній Лачетті Такума, подушки двигуна Матіз GM з номером 94500716 по всій Україні. У каталозі представлені деталі від оригінального виробника General Motors і сторонніх брендів. Різниця між ними в ціні. Ми працюємо з перевіреними постачальниками. Всі деталі підходять для ремонту і сервісного обслуговування автомобілів вироблених на Запорізькому автомобілебудівному заводі з різним об'ємом двигуна.
Магазин Запчастини ЗАЗ має багатий досвід роботи.
Оригінальний код 94500716 повністю збігається з каталожними номером виробника GM.
Пошук деталей можна виконати за оригінальним кодом 94500716.
Оплата здійснюється різними способами – готівковим і безготівковим. Також доступна оплата на банківські карти Монобанк і ПриватБанк.
Доставка по Україні виконується різними поштовими службами. Є можливість самовивозу.
Якщо у вас виникли питання щодо Болт переднього важеля до підрамника задній Лачетті Такума, подушки двигуна Матіз GM з номером 94500716, зв'яжіться з нашим консультантом.
При отриманні замовлення перевіряйте комплектацію товару Болт переднього важеля до підрамника задній Лачетті Такума, подушки двигуна Матіз GM.
Перед монтажем запчастини перевірте оригінальний код 94500716.
Довіряйте установку деталей компетентним фахівцям.
На сайті магазина Запчастини ЗАЗ зібрані всі деталі для ремонту автомобілів. Якщо не знайшли потрібну запчастину, зв'яжіться з нашим консультантом.
(10 відгуків)