Ланос Сенс

Кулиса Ланос Нексия Леганза Нубира J100 GM - 25193631

Артикул 25193631  Подкатегория Сцепление и коробка
2 020 грн
Доставка
  • Нова Пошта
  • Деливери
Оплата
  • При получении товара (наложенный платеж). Картой онлайн. Безналичными на р/с. Оплата частями от ПриватБанк. Покупка частями от Монобанк. Плати частями от А-Банк. Плати частями от ПУМБ. Лёгкая рассрочка от Sense Bank.
  • Покупка частями от Монобанк Оплата частями от ПриватБанк Плати частями от А-Банк Платите частями от ПУМБ Лёгкая рассрочка от Sense Bank
Описание

Кулиса на Ланос.

Подходит Ланос 1.4, 1.5, 1.6, Нексия 1.5-1.6, Леганза 2.0-2.2, Нубира 1.6-2.0 в кузове J100 с механической КПП. Не подходит на АКПП (автоматическую коробку передач) и Сенс. Старые номера 96332660, 96273776, 90342949.

Производитель General Motors, Корея.

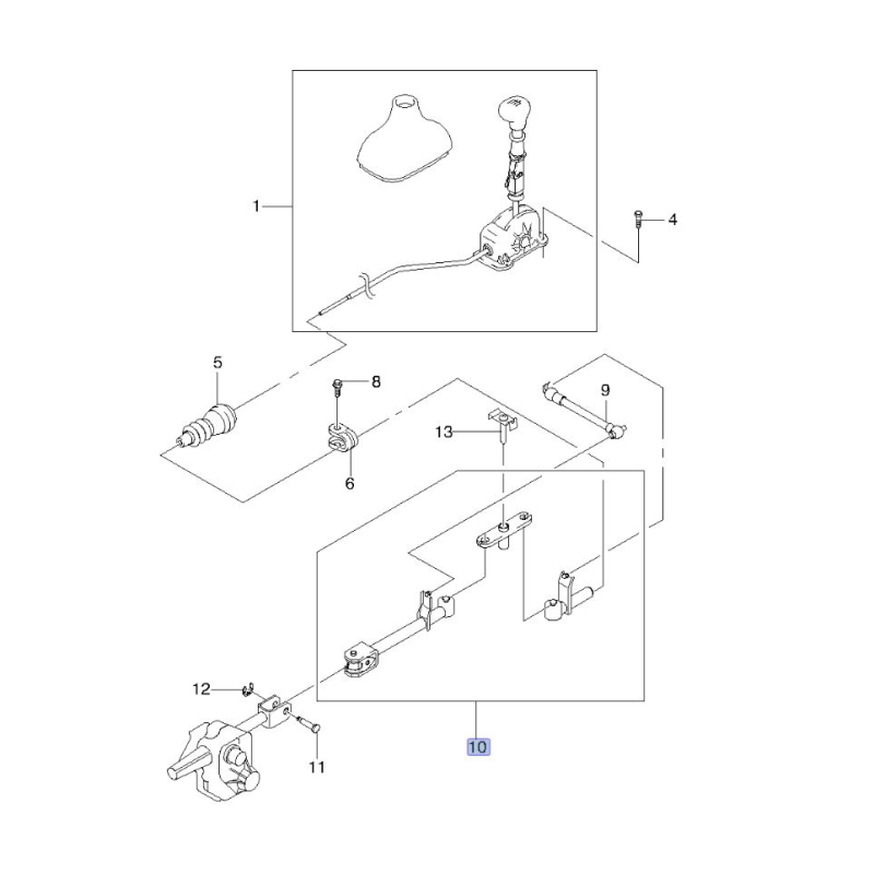
Кулиса не комплектуется запчастями (продаются отдельно):

1. Тяга кулиса 94580711 (позиция №9 на скриншоте с каталога);
2. Ось крепление кулисы - вертолёт 96182212 (позиция №13 на скриншоте с каталога);
3. Палец штока вилки кулисы 94535807 (позиция №11 на скриншоте с каталога);
4. Стопор пальца штока вилки кулисы 94530002 (позиция №12 на скриншоте с каталога);
5. Зажим (хомут) пыльника кулисы 90217840 (позиция №6 на скриншоте с каталога);
6. Болт зажима пыльника кулисы 94501471 (позиция №8 на скриншоте с каталога);
7. Чехол (пыльник) штока кулисы 96346023 (позиция №5 на скриншоте с каталога).

Отзывы
Євгеній Л
Приобрел товар

В попередні роки ставив різне типу коператив та китай, то гімно на пару місяців. Оригінал хоча і в 2-3 рази дорожче, то і вихожує в 10 раз довше

Достоинства: Якість

Недостатки: Можна трохи дешевше

Вячеслав П
Приобрел товар

Заказал полный комплект кулисы ланос, устанавливал сам, подошло просто идеально, брал оригинал. Спасибо команда за заказ.

Достоинства: Всё идеально подошло.

Недостатки: Нету

Тетяна М
Приобрел товар

Краще не шкодувати грошей і купляти оригінальні запчастини

Достоинства: Всім рекомендую, дуже якісна куліса для ланоса

Недостатки: Нема

Сергій С
Приобрел товар

Відмінна якість. Рекомендую.

Максим Д
Приобрел товар

Оригінал є оригінал. Стала чітко,передачі вмикаються як з заводу.Все працює як і повинно. Рекомендую.

Достоинства: Оригінал він і в Африці оригінал.

Недостатки: Немає

Микола Г
Приобрел товар

Якість супер , брав весь комплект для заміни GM. (вилку , палець , тягу та інше) тепер передачі вмикаються як з заводу. Єдиний недолік , що коли вирішив написати відгук, ціна яка була і так не малою на цю запчатину, виросла ще майже на 200 грн . І це за 2-3тиждні .

Иван П
Приобрел товар

Все подошло. Быстро отрегулировал. Четкое включение передач

Достоинства: Оригинал

Недостатки: Цена

Отзывы и комментарии могут оставлять только авторизированные посетители

Если Вы уже зарегестрированны - авторизуйтесь

* отмеченные поля заполняются обязательно
Оцените товар:

Отзывы и комментарии могут оставлять только авторизированные посетители

Если Вы уже зарегестрированны - авторизуйтесь

* отмеченные поля заполняются обязательно