Нет товаров
КАТАЛОГ
Плунжер редукционного клапана масляного насоса GM
Получатель: :
* Обязательные поля
или Отмена
Плунжер редукционного клапана масляного насоса GM.
Кросс номера 94580014 и 03448846.
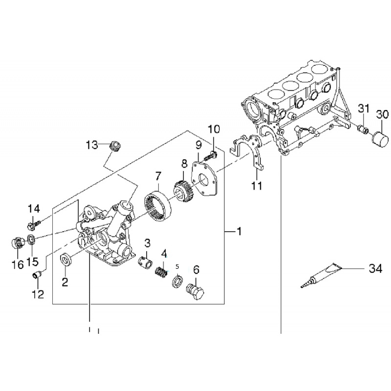
Позиция 3 на скриншоте с каталога.
Применяемость.
Ланос 1,5 и 1,6 л.
Авео 1,5 и 1,6 л.
Лачетти все бензиновые моторы.
Нубира 1,6 и 2,0.
Такума 1,6 и 2,0.
Леганза все моторы.
Эванда все моторы.
Круз 1,6 LXT.
Магазин Запчасти ЗАЗ предлагает доставку Плунжер редукционного клапана масляного насоса GM с номером 90530592 по всей Украине. В каталоге представлены детали от оригинального производителя General Motors и сторонних брендов. Разница между ними в цене. Мы работаем с проверенными поставщиками. Все детали подходят для ремонта и сервисного обслуживания автомобилей произведённых на Запорожском автомобилестроительном заводе с разным объемом двигателя.
Магазин Запчасти ЗАЗ имеет богатый опыт работы.
Оригинальный код 90530592 полностью совпадает с каталожным номером производителя GM.
Поиск деталей можно выполнить по оригинальному коду 90530592.
Оплата производится разными способами – наличным и безналичным.
Доставка по Украине выполняется разными почтовыми службами. Возможен самовывоз.
Если у вас возникли вопросы относительно Плунжер редукционного клапана масляного насоса GM с номером 90530592, свяжитесь с нашим консультантом.
При получении заказа проверяйте комплектацию товара Плунжер редукционного клапана масляного насоса GM.
Перед монтажом запчасти проверьте оригинальный код 90530592.
Доверяйте установку деталей компетентным специалистам.
На сайте магазина Запчасти ЗАЗ собраны все детали для ремонта автомобилей. Если не нашли нужную запчасть, свяжитесь с нашим консультантом.
(10 отзывов)