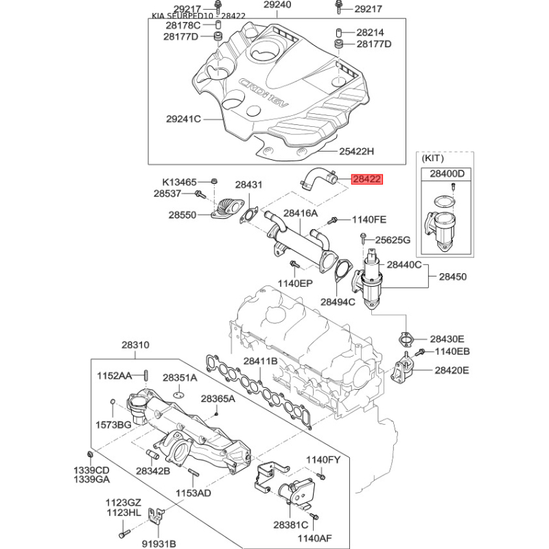
Магазин Запчасти ЗАЗ предлагает доставкуШланг системы рециркуляции отработанных газов EGR 28422-27400 Mobis с номером 2842227400 по всей Украине. В каталоге представлены детали от оригинального производителя General Motors и сторонних брендов. Разница между ними в цене. Мы работаем с проверенными поставщиками. Все детали подходят для ремонта и сервисного обслуживания автомобилей произведённых на Запорожском автомобилестроительном заводе с разным объемом двигателя.
Гарантия качества на Шланг системы рециркуляции отработанных газов EGR 28422-27400 Mobis
Магазин Запчасти ЗАЗ имеет богатый опыт работы.
Оригинальный код 2842227400 полностью совпадает с каталожным номером производителя Mobis.
Поиск деталей можно выполнить по оригинальному коду 2842227400.
Оплата производится разными способами – наличным и безналичным.
Доставка по Украине выполняется разными почтовыми службами. Возможен самовывоз.
Если у вас возникли вопросы относительно Шланг системы рециркуляции отработанных газов EGR 28422-27400 Mobis с номером 2842227400, свяжитесь с нашим консультантом.
Полезная информация
При получении заказа проверяйте комплектацию товара Шланг системы рециркуляции отработанных газов EGR 28422-27400 Mobis.
Перед монтажом запчасти проверьте оригинальный код 2842227400.