Нет товаров
КАТАЛОГ
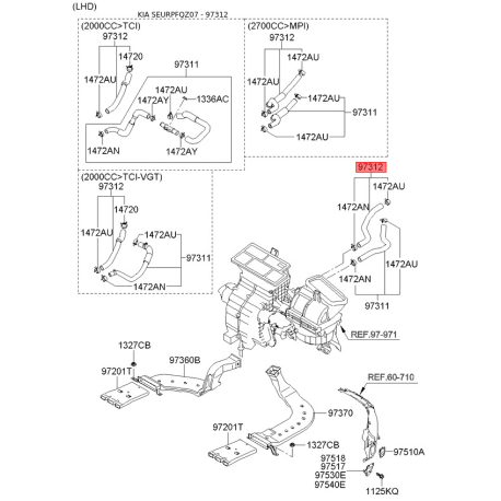
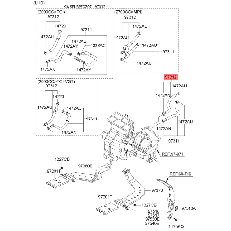
Шланг, теплообменник - отопление 97312-2E000 Mobis
Получатель: :
* Обязательные поля
или Отмена
Магазин Запчасти ЗАЗ предлагает доставку Шланг, теплообменник - отопление 97312-2E000 Mobis с номером 973122E000 по всей Украине. В каталоге представлены детали от оригинального производителя General Motors и сторонних брендов. Разница между ними в цене. Мы работаем с проверенными поставщиками. Все детали подходят для ремонта и сервисного обслуживания автомобилей произведённых на Запорожском автомобилестроительном заводе с разным объемом двигателя.
Магазин Запчасти ЗАЗ имеет богатый опыт работы.
Оригинальный код 973122E000 полностью совпадает с каталожным номером производителя Mobis.
Поиск деталей можно выполнить по оригинальному коду 973122E000.
Оплата производится разными способами – наличным и безналичным.
Доставка по Украине выполняется разными почтовыми службами. Возможен самовывоз.
Если у вас возникли вопросы относительно Шланг, теплообменник - отопление 97312-2E000 Mobis с номером 973122E000, свяжитесь с нашим консультантом.
При получении заказа проверяйте комплектацию товара Шланг, теплообменник - отопление 97312-2E000 Mobis.
Перед монтажом запчасти проверьте оригинальный код 973122E000.
Доверяйте установку деталей компетентным специалистам.
На сайте магазина Запчасти ЗАЗ собраны все детали для ремонта автомобилей. Если не нашли нужную запчасть, свяжитесь с нашим консультантом.