Нет товаров
КАТАЛОГ
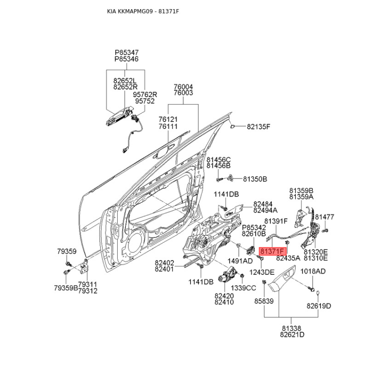
Трос, замок двери левый 81371-2G000 Mobis
Получатель: :
* Обязательные поля
или Отмена
| Сторона установки: | слева |
Магазин Запчасти ЗАЗ предлагает доставку Трос, замок двери левый 81371-2G000 Mobis с номером 813712G000 по всей Украине. В каталоге представлены детали от оригинального производителя General Motors и сторонних брендов. Разница между ними в цене. Мы работаем с проверенными поставщиками. Все детали подходят для ремонта и сервисного обслуживания автомобилей произведённых на Запорожском автомобилестроительном заводе с разным объемом двигателя.
Магазин Запчасти ЗАЗ имеет богатый опыт работы.
Оригинальный код 813712G000 полностью совпадает с каталожным номером производителя Mobis.
Поиск деталей можно выполнить по оригинальному коду 813712G000.
Оплата производится разными способами – наличным и безналичным.
Доставка по Украине выполняется разными почтовыми службами. Возможен самовывоз.
Если у вас возникли вопросы относительно Трос, замок двери левый 81371-2G000 Mobis с номером 813712G000, свяжитесь с нашим консультантом.
При получении заказа проверяйте комплектацию товара Трос, замок двери левый 81371-2G000 Mobis.
Перед монтажом запчасти проверьте оригинальный код 813712G000.
Доверяйте установку деталей компетентным специалистам.
На сайте магазина Запчасти ЗАЗ собраны все детали для ремонта автомобилей. Если не нашли нужную запчасть, свяжитесь с нашим консультантом.