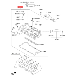
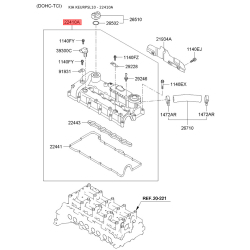
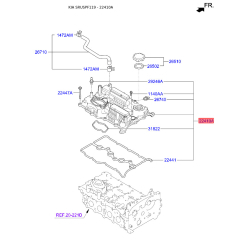
Новинки - страница № 235