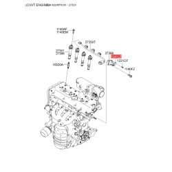
Распределитель зажигания (трамблер) на Kia Cerato 1 (Киа Церато 1) (2004-2008)
2732522610
273252B000
273252B010Распределитель зажигания (трамблер) на Kia Cerato 1 (Киа Церато 1) (2004-2008) с доставкой в такие города Украины: Киев, Днепр, Харьков, Кривой Рог, Одесса, Запорожье, Николаев, Львов, Полтава, Сумы, Павлоград, Кропивницкий, Кременчуг, Каменское , Краматорск, Славянск, Черкассы, Хмельницкий, Чернигов, Винница, Никополь , Бровары, Житомир, Херсон, Черновцы, Тернополь, Вольногорск, Ирпень, Белая Церковь, Самарь, Александрия , Борисполь, Ивано-Франковск, Синельниково, Софиевская Борщаговка, Желтые Воды, Лозовая, Шостка, Ужгород, Ровно, Первомайск, Вознесенск, Пивденноукраинск, Черноморск, Буча, Вишневое, Красноград , Дружковка, Покров, Изюм, Луцк, Переяслав, Смела, Нежин, Шахтарское , Ахтырка, Яготин, Каменец-Подольский, Умань, Вышгород, Мерефа, Белгород-Днестровский, Васильков , Обухов, Богодухов, Прилуки, Светловодск, Фастов, Конотоп, Украинка, Марганец, Балаклея , Горишние Плавни, Нетешин, Новая Водолага, Снигиревка, Вольнянск, Бердичев, Лубны, Мукачево, Канев, Терновка, Вараш, , Дрогобыч, Очаков, Славутич, Глобино, Коростень, Миргород, Боярка, Староконстантинов, Шептицкий, Барвенково, Новый Буг, Апостолово, Петропавловка , Березань, Подільськ, Златопіль .