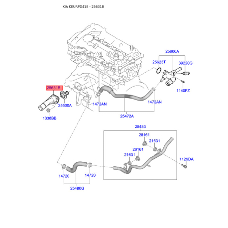
Магазин Запчастини ЗАЗ пропонує доставку Корпус термостату 25630-2G000 Mobis з номером 256302G000 по всій Україні. У каталозі представлені деталі від оригінального виробника General Motors і сторонніх брендів. Різниця між ними в ціні. Ми працюємо з перевіреними постачальниками. Всі деталі підходять для ремонту і сервісного обслуговування автомобілів вироблених на Запорізькому автомобілебудівному заводі з різним об'ємом двигуна.
Гарантія якості Корпус термостату 25630-2G000 Mobis
Магазин Запчастини ЗАЗ має багатий досвід роботи.
Оригінальний код 256302G000 повністю збігається з каталожними номером виробника Mobis.
Пошук деталей можна виконати за оригінальним кодом 256302G000.
Оплата здійснюється різними способами – готівковим і безготівковим. Також доступна оплата на банківські карти Монобанк і ПриватБанк.
Доставка по Україні виконується різними поштовими службами. Є можливість самовивозу.
Якщо у вас виникли питання щодо Корпус термостату 25630-2G000 Mobis з номером 256302G000, зв'яжіться з нашим консультантом.
Корисна інформація
При отриманні замовлення перевіряйте комплектацію товару Корпус термостату 25630-2G000 Mobis.
Перед монтажем запчастини перевірте оригінальний код 256302G000.