Немає товарів
КАТАЛОГ
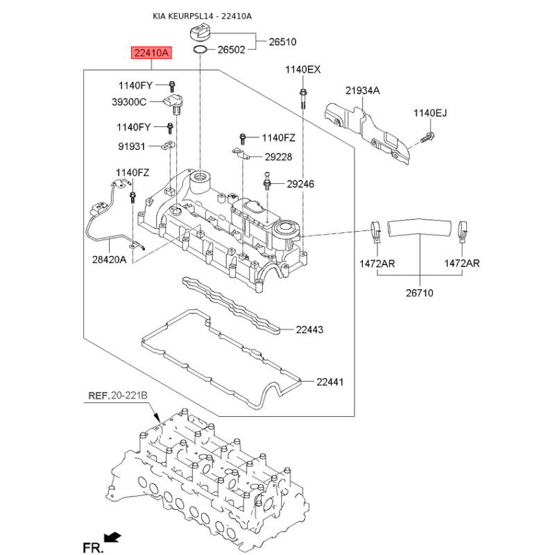
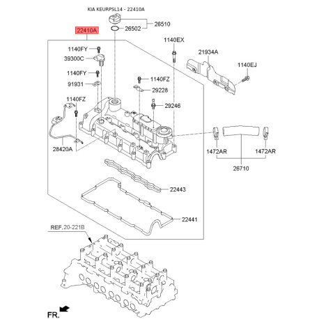
Кришка головки циліндра 22410-2F701 Mobis
Отримувач: :
* Обов'язкові поля
або Відміна
Магазин Запчастини ЗАЗ пропонує доставку Кришка головки циліндра 22410-2F701 Mobis з номером 224102F701 по всій Україні. У каталозі представлені деталі від оригінального виробника General Motors і сторонніх брендів. Різниця між ними в ціні. Ми працюємо з перевіреними постачальниками. Всі деталі підходять для ремонту і сервісного обслуговування автомобілів вироблених на Запорізькому автомобілебудівному заводі з різним об'ємом двигуна.
Магазин Запчастини ЗАЗ має багатий досвід роботи.
Оригінальний код 224102F701 повністю збігається з каталожними номером виробника Mobis.
Пошук деталей можна виконати за оригінальним кодом 224102F701.
Оплата здійснюється різними способами – готівковим і безготівковим. Також доступна оплата на банківські карти Монобанк і ПриватБанк.
Доставка по Україні виконується різними поштовими службами. Є можливість самовивозу.
Якщо у вас виникли питання щодо Кришка головки циліндра 22410-2F701 Mobis з номером 224102F701, зв'яжіться з нашим консультантом.
При отриманні замовлення перевіряйте комплектацію товару Кришка головки циліндра 22410-2F701 Mobis.
Перед монтажем запчастини перевірте оригінальний код 224102F701.
Довіряйте установку деталей компетентним фахівцям.
На сайті магазина Запчастини ЗАЗ зібрані всі деталі для ремонту автомобілів. Якщо не знайшли потрібну запчастину, зв'яжіться з нашим консультантом.