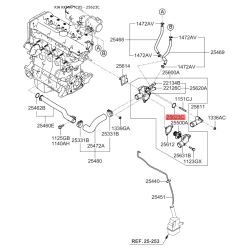
Прокладки помпи, термостату на Kia Rio 2 (Кіа Ріо 2) (2005-2011)
2512426002
256222A011
P1H-A005
0K65A15173A
2561226020
2561426100
256152A000
2562338400
1.890.589
7.9607
P1Q-A005
P1J-A007Прокладки помпи, термостату на Kia Rio 2 (Кіа Ріо 2) (2005-2011) з доставкою в такі міста України: Київ, Дніпро, Харків, Кривий Ріг, Одеса, Запоріжжя, Миколаїв, Львів, Полтава, Суми, Павлоград, Кропивницький, Кременчук, Кам'янське , Краматорськ, Слов'янськ, Черкаси, Хмельницький, Чернігів, Вінниця, Нікополь , Бровари, Житомир, Херсон, Чернівці, Тернопіль, Вільногірськ, Ірпінь, Біла Церква, Самар, Олександрія , Бориспіль, Івано-Франківськ, Синельникове, Софіївська Борщагівка, Жовті Води, Лозова, Шостка, Ужгород, Рівне, Первомайськ, Вознесенськ, Південноукраїнськ, Чорноморськ, Буча, Вишневе, Берестин , Дружківка, Покров , Ізюм, Луцьк, Переяслав, Сміла, Ніжин, Шахтарське , Охтирка, Яготин, Кам'янець-Подільський, Умань, Вишгород, Мерефа, Білгород-Дністровський, Васильків , Обухів, Богодухів, Прилуки, Світловодськ, Фастів, Конотоп, Українка, Марганець, Балаклія , Горішні Плавні, Нетішин, Нова Водолага, Снігурівка, Вільнянськ, Бердичів, Лубни, Мукачево, Канів, Тернівка, , Вараш, Дрогобич, Очаків, Славутич, Глобине, Коростень, Миргород, Боярка, Старокостянтинів, Шептицький, Барвінкове, Новий Буг, Апостолове, Петропавлівка , Березань, Подільськ, Златопіль .