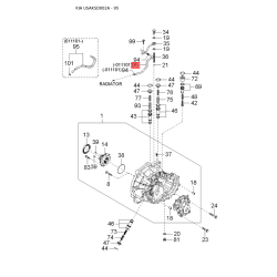
Управління, гідравліка АКПП на Kia Carens 1 (Кіа Каренс 1) (1999-2006)
463863A050
4613136002
4615839000
4631339051
MFU6121104A
MFU6121108C
4567039003
4632139010
ADG02125
HX 156
TR 820 417
MFU6019324A
MFU60195E2A
MFU6019603
0K2A2199G0BУправління, гідравліка АКПП на Kia Carens 1 (Кіа Каренс 1) (1999-2006) з доставкою в такі міста України: Київ, Дніпро, Харків, Кривий Ріг, Одеса, Запоріжжя, Миколаїв, Львів, Полтава, Суми, Павлоград, Кропивницький, Кременчук, Кам'янське , Краматорськ, Слов'янськ, Черкаси, Хмельницький, Чернігів, Вінниця, Нікополь , Бровари, Житомир, Херсон, Чернівці, Тернопіль, Вільногірськ, Ірпінь, Біла Церква, Самар, Олександрія , Бориспіль, Івано-Франківськ, Синельникове, Софіївська Борщагівка, Жовті Води, Лозова, Шостка, Ужгород, Рівне, Первомайськ, Вознесенськ, Південноукраїнськ, Чорноморськ, Буча, Вишневе, Берестин , Дружківка, Покров , Ізюм, Луцьк, Переяслав, Сміла, Ніжин, Шахтарське , Охтирка, Яготин, Кам'янець-Подільський, Умань, Вишгород, Мерефа, Білгород-Дністровський, Васильків , Обухів, Богодухів, Прилуки, Світловодськ, Фастів, Конотоп, Українка, Марганець, Балаклія , Горішні Плавні, Нетішин, Нова Водолага, Снігурівка, Вільнянськ, Бердичів, Лубни, Мукачево, Канів, Тернівка, , Вараш, Дрогобич, Очаків, Славутич, Глобине, Коростень, Миргород, Боярка, Старокостянтинів, Шептицький, Барвінкове, Новий Буг, Апостолове, Петропавлівка , Березань, Подільськ, Златопіль .