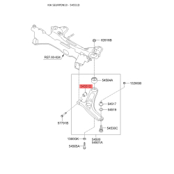
Сайлентблоки важелів на Hyundai Accent 3 (Хюндай Акцент 3) (2005-2011)
545633K000
HYAB-TUC1
37-14 610 0018
545511E000
545512K000
ABS 271459
ABS 270849
ADG080189
GV0009
GV0041
GV0347
TD896W
TD728W
FSA 14059
HYAB-TUCB
HYAB-AC000
FE 41590
FE 41479
N4230316
N4230518
OP F8-7067
SM 887614
SM 881619
90 94 1590
545841G000
545652E000
37-14 610 0017
ADG08076
HBJ J4200510
HY-SB-7088
PR 2307-0695
PR 2307-0692Сайлентблоки важелів на Hyundai Accent 3 (Хюндай Акцент 3) (2005-2011) з доставкою в такі міста України: Київ, Дніпро, Харків, Кривий Ріг, Одеса, Запоріжжя, Миколаїв, Львів, Полтава, Суми, Павлоград, Кропивницький, Кременчук, Кам'янське , Краматорськ, Слов'янськ, Черкаси, Хмельницький, Чернігів, Вінниця, Нікополь , Житомир, Бровари, Херсон, Біла Церква, Чернівці, Тернопіль, Ірпінь, Вільногірськ, Самар, Бориспіль, Олександрія , Софіївська Борщагівка, Лозова, Жовті Води, Івано-Франківськ, Синельникове, Шостка, Рівне, Ужгород, Первомайськ, Чорноморськ, Південноукраїнськ, Буча, Вишневе, Дружківка, Вознесенськ, Берестин , Покров , Ізюм, Луцьк, Шахтарське , Ніжин, Переяслав, Умань, Білгород-Дністровський, Сміла, Яготин, Охтирка, Кам'янець-Подільський, Васильків , Вишгород, Вараш, Обухів, Мерефа, Богодухів, Прилуки, Горішні Плавні, Світловодськ, Конотоп, Нова Водолага, Фастів, Марганець, Балаклія , Мукачево, Українка, Бердичів, Нетішин, Снігурівка, Лубни, Вільнянськ, , Тернівка, Канів, Коростень, Глобине, Очаків, Боярка, Дрогобич, Славутич, Миргород, Барвінкове, Шептицький, Старокостянтинів, Апостолове, Петропавлівка , Подільськ, Новий Буг, Березань, Велика Олександрівка .